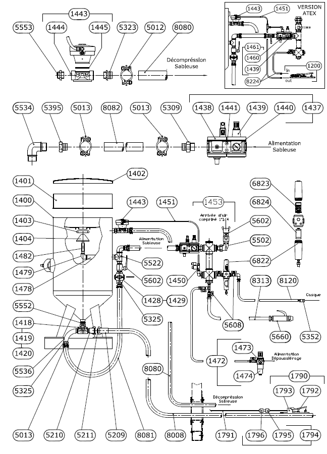
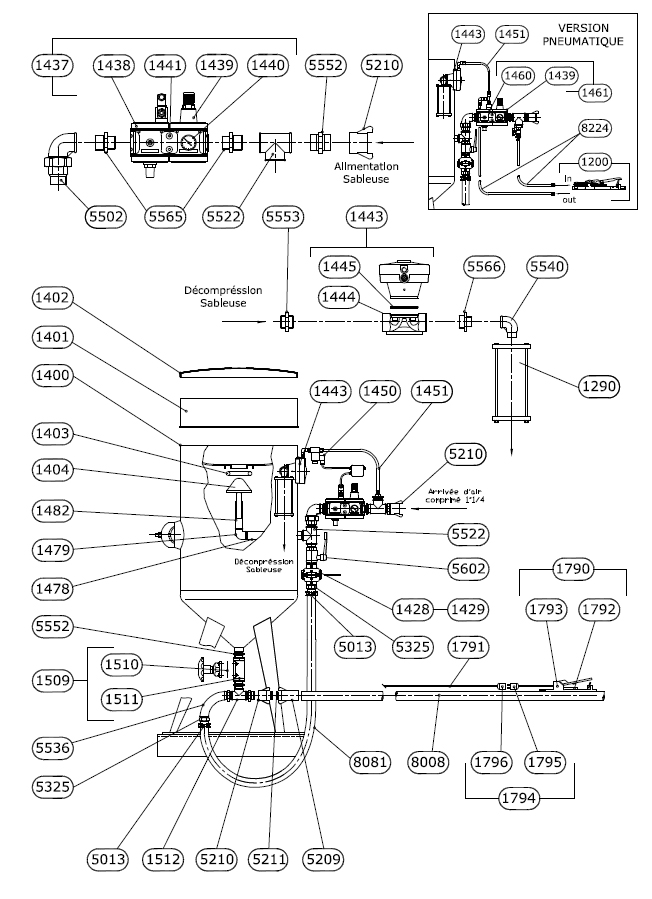
Sableuse
Nos sableuses 200 l. sont sur passage de fourche et ne nécessitent une ré-épreuve que tous les 10 ans. La sableuse comprend tous les équipements necessaires à son fonctionnement, doseur tout abrasif, régulateur de pression, lance de sablage avec poignée électrique et buse... Pour faire fonctionner la sableuse en toute sécurité, elle est équipée d’une commande à distance reliée à la poignée de la lance de l’opérateur. Ce système disposé sur un distributeur pneumatique indépendant de la sableuse comprend une électrovanne d’alimentation d’air et une pneumovanne de décompression. L’opérateur peut déclencher l’ouverture ou la fermeture de la projection d’abrasif par simple action sur la gâchette placée près de la buse de projection. Ce dispositif de commande à distance à commande électrique basse tension (ou pneumatique si cabine Atex) est un système qui réalise la sécurité dite “Homme Mort” L’équipement de protection de l’opérateur comprend : - un casque complet Pano ou Droit équipé d’un flexible, - une combinaison spéciale en cuir et une paire de gants, - un climatiseur d’air comprimé (chaud ou froid). - filtre à air bi-cartouche, filtre et charbon actif.
Sableuse indus. 200 litres ''Eferest'' Sans équipements
Sableuse indus. 200 litres ''Eferest'' avec Dosage à membrane (1509)
Sableuse indus. 200 litres avec Commande à distance électrique et régulateur d air
Sableuse indus. 200 litres Commande pneumatique ATEX et régulateur d air
Distributeur pneumatique 6 sorties filtre air bi-cartouche (6822) + soufflette gros débit (5660) + régul.
|
||||||||||||||||||||||||||||||
















