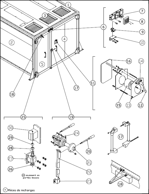
Charpente
Portes principales
Porte de secours
Ensemble bloc sécurité : contact de porte + voyant rouge
Bloc hublot avec lexan ép : 100 mm
Ensemble charnière porte principale
Ampoule 24 V
Couvercle rouge
Bloc contact de porte
Galet contact
Groom
Palier
Bloc de sécurité
|
|||||||||||||||||||||||||||||||||||||||||||||||||||||||||||||||||||||||||||||||||||||||||||||||||||||||||||||||||||||||||||||||||||||||||||||||||||||||||||||||||||||||||||||||||||||||||||||||||||||||||||||||||||||||||||||||||||||||||||||||||||||||||||||||||||||||||||||||||||
Caoutchouc blindage
|
||||||||||||||||||||



















